| Поможем подобрать насос, звоните +7(499)399-36-08 или пишите shop@baymart.ru |
Компенсатор резиновый фланцевый
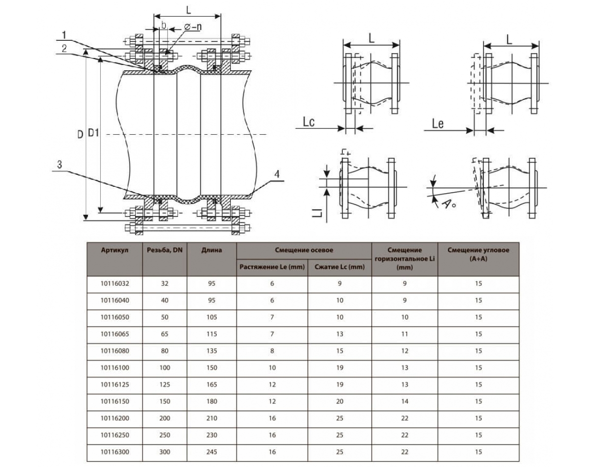
HEISSKRAFT VRC-F, DN 125, PN 16
C комплектом контрольных стержней
Компенсатор резиновый фланцевый ДУ 125 VRC-T используется для компенсации разницы вертикальных, горизонтальных или угловых трубных присоединений, уменьшение или полностью избавления от вибраций, уменьшения шума.
Применение:
Резиновый компенсатор фланцевый часто используется в системах кондиционирования, отопления, водоподготовки, вентиляции, водоснабжения и других аналогичных системах.
Характеристики:
- Возможный диаметр DN ¾ — 2 ½''
- Максимальное давление PN 16 бар
- Максимальная рабочая температура +115 ºС
- Вакуум, Кра (mm, Hg) 86,7 (650)
- Давление разрыва, Mpa (кг/см²) 4,8 (48)
- Тип Присоединения муфтовое (резьбовое) внутренняя резьба
- Материал компенсатора EPDM
Свойства:
Резиновые компенсаторы фланцевые производятся из специальной жаростойкой прочной синтетической резины. Благодаря этим свойствам достигается высокая стойкость к горячей воде и высокому постоянному давлению при длительном периоде эксплуатации компенсатора.
Монтаж:
Компенсатор легко деформируется на сжатие или разжатие а так же изгибается по всей своей оси для подключения при смещенных трубах или отклонения оси.
Обозначения в наименовании:
VRC-T модель арматуры
DN (ДУ) присоединительный диаметр
PN максимальное давление
Теги: Компенсатор резиновый
Компенсатор резиновый фланцевый VRC-F, DN 125, PN 16
-
Стоимость по запросу
- Запросить счет
Уточнить по наличию Запросить счет
- Трубопроводная арматураКомпенсаторы резиновые
- Производитель: HEISSKRAFT
- Код Товара: 10116125
СКИДКИ МОНТАЖНЫМ, ОПТОВЫМ КОМПАНИЯМ!
Заказать расчет, купить Телефон +7(499)399-36-08 Почта shop@baymart.ru Мы будем рады Вам помочь! |
| Подбор аналогов Grundfos,KSB,Wilo |












