| Поможем подобрать насос, звоните +7(499)399-36-08 или пишите shop@baymart.ru |
Обратный клапан межфланцевый NRC-W створчатый, из чугуна предназначен для предотвращения обратного потока воды. Устанавливается между соединяющими фланцами. Выдерживает высокую температуру и рабочее давление.
Применение:
Обратный клапан межфланцевый используется в промышленных системах водоснабжения, автоматизации подачи воды в системах подпитки, отопления, кондиционирования и других системах. Благодаря конструкции работает бесшумно в любом монтажном положении, позволяет минимизировать последствия гидроудара.
Характеристики:
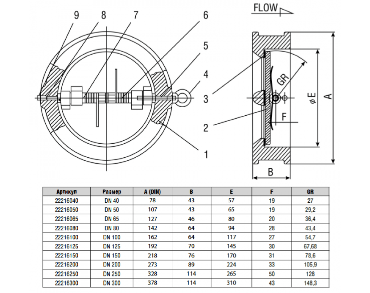
- Условный диаметр ДУ 40, ДУ 50, ДУ 65, ДУ 80, ДУ 100, ДУ 125, ДУ 150, ДУ 200, ДУ 250, ДУ 300.
- Максимальное давление PN 16 бар
- Максимальная рабочая температура +100 ºС
- Тип присоединения межфланцевое
- Материал корпуса чугун GGG-40
- Тип обратного клапана створчатый
Монтаж:
Обратный клапан межфланцевый устанавливается между воротниковым фланцами, устанавливается в любом положении
Обозначения в наименовании:
NRC-T модель арматуры
DN (ДУ) присоединительный диаметр (мм)
PN максимальное давление
Обратный клапан межфланцевый створчатый NRD-W, DN 125, PN 16
-
Стоимость по запросу
- Запросить счет
Уточнить по наличию Запросить счет
- Трубопроводная арматураОбратные клапана
- Производитель: HEISSKRAFT
- Код Товара: 22216125
СКИДКИ МОНТАЖНЫМ, ОПТОВЫМ КОМПАНИЯМ!
Заказать расчет, купить Телефон +7(499)399-36-08 Почта shop@baymart.ru Мы будем рады Вам помочь! |
| Подбор аналогов Grundfos,KSB,Wilo |
Похожие товары
Стоимость по запросу
22216150
HEISSKRAFT
Стоимость по запросу
22216200
HEISSKRAFT
Стоимость по запросу
22216250
HEISSKRAFT
Стоимость по запросу
22216300
HEISSKRAFT










