| Поможем подобрать насос, звоните +7(499)399-36-08 или пишите shop@baymart.ru |
Канализационный насос CNP WQ |
Промышленный канализационный насос CNP серии WQ это современный тип погружных насосов для откачки сточных вод, с надежной проверенной временем конструкцией насосной части и системой защит электродвигателя, делает этот насос одним из лучших в своем классе.
Промышленные канализационные насосы WQ обладают высокой эффективность и могут эксплуатироваться в самых неблагоприятных условиях.
В конструкции насосной части применяется двухканальное полуоткрытое рабочее колесо, благодаря которому достигается:
- Высокий гидравлический КПД при перекачки большого объема загрязненных вод
- Высокая устойчивость против засорений рабочего колеса
- Стабильная работа без турбулентных завихрений
В конструкции насосов WQ используется два или три торцевых уплотнения (в зависимости от модели) изготовленные из специальных износостойких материалов которые охлаждаются маслом и перекачиваемой жидкостью, обеспечивающие долгую и надежную эксплуатацию.
Промышленные насосы для грязной воды CNP серии WQ можно приобрести в исполнении с мешающим механизмом, которое стоит в самом низу насоса, перед рабочим колесом. Мешающий механизм насоса не даст оставаться осадку на дне КНС а так же позволяет снизить нагрузку на электродвигатель насоса при перекачки сильно загрязненной воды или густой массы.
ПРИМЕНЕНИЕ:
- Для отвод канализационных стоков, промышленных стоков, откачка затопленных котлованов, осушение болотистой местности и озер, отвод дренажных вод, откачка воды из шахт и много другое.
ОСНОВНЫЕ ТИПЫ КАНАЛИЗАЦИОННЫХ НАСОСОВ:
- WQ стандартное исполнение с полуоткрытым рабочим колесом- WQ -W исполнение с незасоряемым режущим рабочим колесом
- WQ -JY исполнение с мешающим механизмом перед рабочим колесом
- WQ -F исполнение погружного канализационного насоса из нержавеющей стали марок AISI 304 или AISI 316
- WQ -X исполнение с открытым рабочим колесом типа VORTEX
ВАРИАНТЫ ИСПОЛНЕНИЯ:
С однофазным двигателем 1*/230В, 0,37-0,75 кВт, на заказ | |||
| Полностью из нержавеющей стали, на заказ | |||
С датчиком влажности для насосов до 11 кВт, на заказ |
КОНСТРУКТИВНЫЕ ОСОБЕННОСТИ:
Вентиляционный клапан в насосной части для автоматической откачки воздуха.
Электро кабель химически стойкий к сточным водам, установленный методом вулканизации, что предотвращает попадание жидкости в двигателя даже при повреждении крышки.
Электродвигатель с высоким КПД разработанный компанией CNP со степенью защиты 1РХ8 и классом изоляции- Р, предназначенный для длительного срока эксплуатации.
Охлаждение электродвигателя производится перекачиваемой жидкостью.
ЗАЩИТА:
Встроенный маслянно-водяной датчик защиты отслеживает попадание воды или утечку масла, выведет сигнал на панель управления о неисправности торцевого уплотнения и остановит насос. Идет в комплекте ко всем промышленным канализационным насосам серии WQ мощностью выше 11 кВт, для насосов мощностью до 11 кВт возможно установить опционально при заказе насоса.
Термореле в обмотках статора в режиме реального времени отслеживает температуру обмоток и при превышении температуры выше нормы, даст команду на отключение насоса и сообщит о проблеме на шкаф управления, для канализационных насосов до 11 кВт отправка сообщения на шкаф управления не производится, насос просто отключается при перегреве.
Руководство по монтажу и эксплуатации насосов WQ |
Каталог технических характеристик насосов WQ |
| Технические характеристики | |
| Подача (м³/ч) | 25 |
| Напор (м↑) | 18 |
| Мощность (кВт) | 3 |
| Сеть (V) | 380/400 В (трехфазный) |
| Ток (А) | 6.1 |
| Максимальный диаметр твердых частиц мм | 25 |
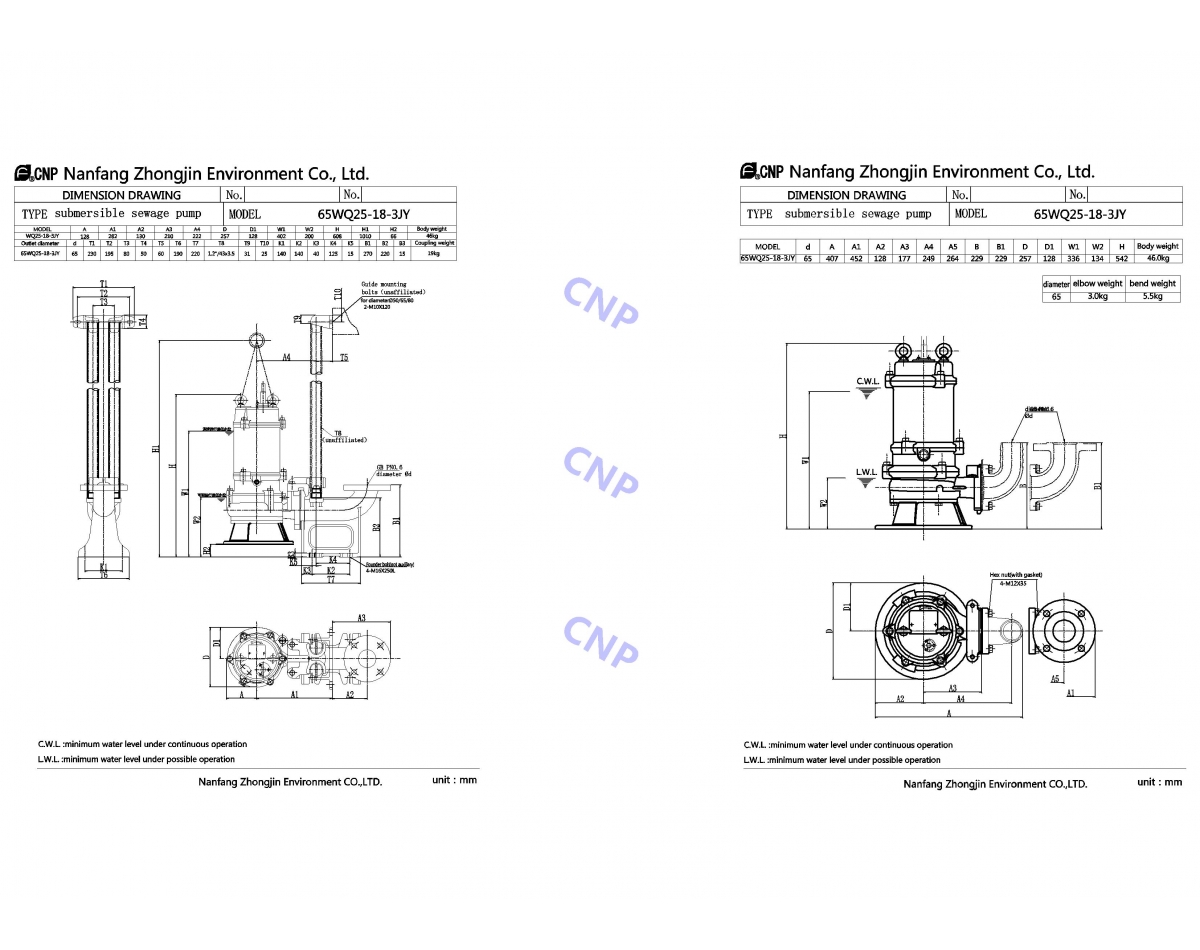
| Присоединительные размеры | DN 65 |
| Механизм насоса | Центробежный |
| Погружной \ поверхностный | Погружной |
| Материал рабочего колеса | Чугун |
| Длинна кабеля (метров) | 9 |
| Рабочая температура жидкости °C | +1 +40 |
| Максимальная плотность жидкости кг/м³ | 1200 |
| Материал корпуса | Чугун |
| Качество перекачиваемой жидкости | Грязная |
| Тип насоса | Канализационный насос |
| Гарантия | 2 |
| Класс защиты | IPX8 |
| Максимальная глубина погружения (метров) | 20 |
| Датчик влажности | НЕТ |
| Оборотов в минуту | 2840 |
| Поплавковый выключатель | НЕТ |
| Мешающий механизм | ДА |
| Режущий механизм | НЕТ |
| Тип оборудования | Насос |
| Тип перекачиваемой жидкости | Вода |
Теги: канализационный насос, Канализационный (фекальный) насос CNP
Канализационный насос 65WQ25-18-3 JY
-
60454.51₽
79622.99₽
- НасосыКанализационные насосыС мешающим механизмом
- Производитель: CNP
- Код Товара: 65WQ25-18-3JYAC(I)
- Вес: 46 кг
СКИДКИ МОНТАЖНЫМ, ОПТОВЫМ КОМПАНИЯМ!
Заказать расчет, купить Телефон +7(499)399-36-08 Почта shop@baymart.ru Мы будем рады Вам помочь! |
| Подбор аналогов Grundfos,KSB,Wilo |













