| Поможем подобрать насос, звоните +7(499)399-36-08 или пишите shop@baymart.ru |
Канализационная насосная установка DLT D.3.370.450 |
42 куб.м\час | 14 метров | Объем 450 л |
Канализационная установка DLT - полностью готовая для монтажа компактная насосная установка c двумя насосами, увеличенным накопительным баком на 450 литров, встроенными обратными клапанами.
Используется для отвода канализационных сточных и ливневых вод крупных коммерческих комплексов, промышленных предприятий, административных зданий, коттеджей.
Подходит для непрерывного слива воды с большим расходом.
Схема работы
| 1. При поступлении стоков, автоматика поочередно включает насос для откачки в напорную магистраль. 2. При необходимости в работе задействуются оба насоса! 3. Если один из насосов выйдет из строя, система автоматически переключится в режим работы с одним насосом и защитит неисправный насос, отобразит на дисплее и подаст сигнал тревоги на панель управления. |
Установка оснащена резервуаром для воды из полиэтилена, устойчивым к коррозии и воздействию окружающей среды, с хорошей герметизацией и долговечностью. Насосы сухого исполнения оснащены открытым незасоряемым рабочим колесом типа Vortex с максимальным проходом твёрдых частиц до 60мм.
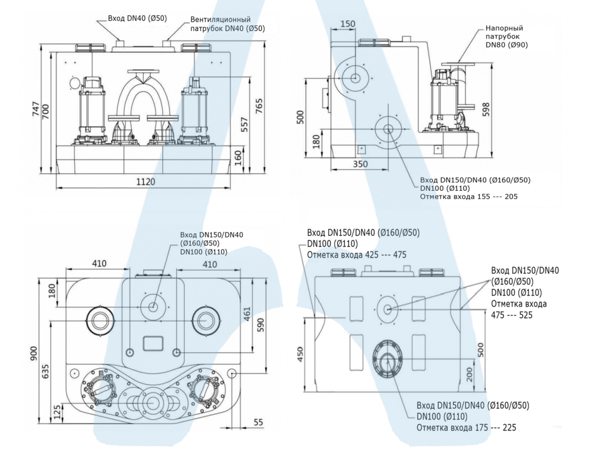
Для удобства установки предусмотрено несколько горизонтальных/вертикальных входов, рассчитанные на подключение входной трубы диаметром 110мм.
| Технические характеристики | |
| Подача (м³/ч) | 42 |
| Напор (м↑) | 14 |
| Объем л. | 450 |
| Мощность (кВт) | 3.7 |
| Напор max (м↑) | 24 |
| Сеть (V) | 3*380-400В |
| Размеры Д х Ш х В | 1120 х 900 х 765 |
| Максимальный диаметр твердых частиц мм | /60 |
| Присоединительные размеры | DN 80 |
| Погружной \ поверхностный | Поверхностный |
| Материал рабочего колеса | Чугун |
| Серия | DLT 450 |
| Длинна кабеля (метров) | 5 |
| Рабочая температура жидкости °C | 0 °С ~ +45 °С (+65С) |
| Материал корпуса | Полиэтилен |
| Качество перекачиваемой жидкости | Грязная |
| Тип насоса | Канализационная установка |
| Гарантия | 2 года |
| Режущий механизм | НЕТ |
| Технические характеристики автоматики | |
| Количество насосов в управлении (шт.) | 2 |
Канализационная установка DLT D.3.370.450
-
749757.15₽
- НасосыКанализационные насосные установки
- Производитель: AQUASTRONG
- Код Товара: DLT.D.3.370.450
- Вес: 162 кг
- Объём: 0.78
СКИДКИ МОНТАЖНЫМ, ОПТОВЫМ КОМПАНИЯМ!
Заказать расчет, купить Телефон +7(499)399-36-08 Почта shop@baymart.ru Мы будем рады Вам помочь! |
| Подбор аналогов Grundfos,KSB,Wilo |












