| Поможем подобрать насос, звоните +7(499)399-36-08 или пишите shop@baymart.ru |
Насос циркуляционный фланцевый
GHN Basic II 65-190 F
Напор 18.5 метров
Производительность 57 куб.м\час
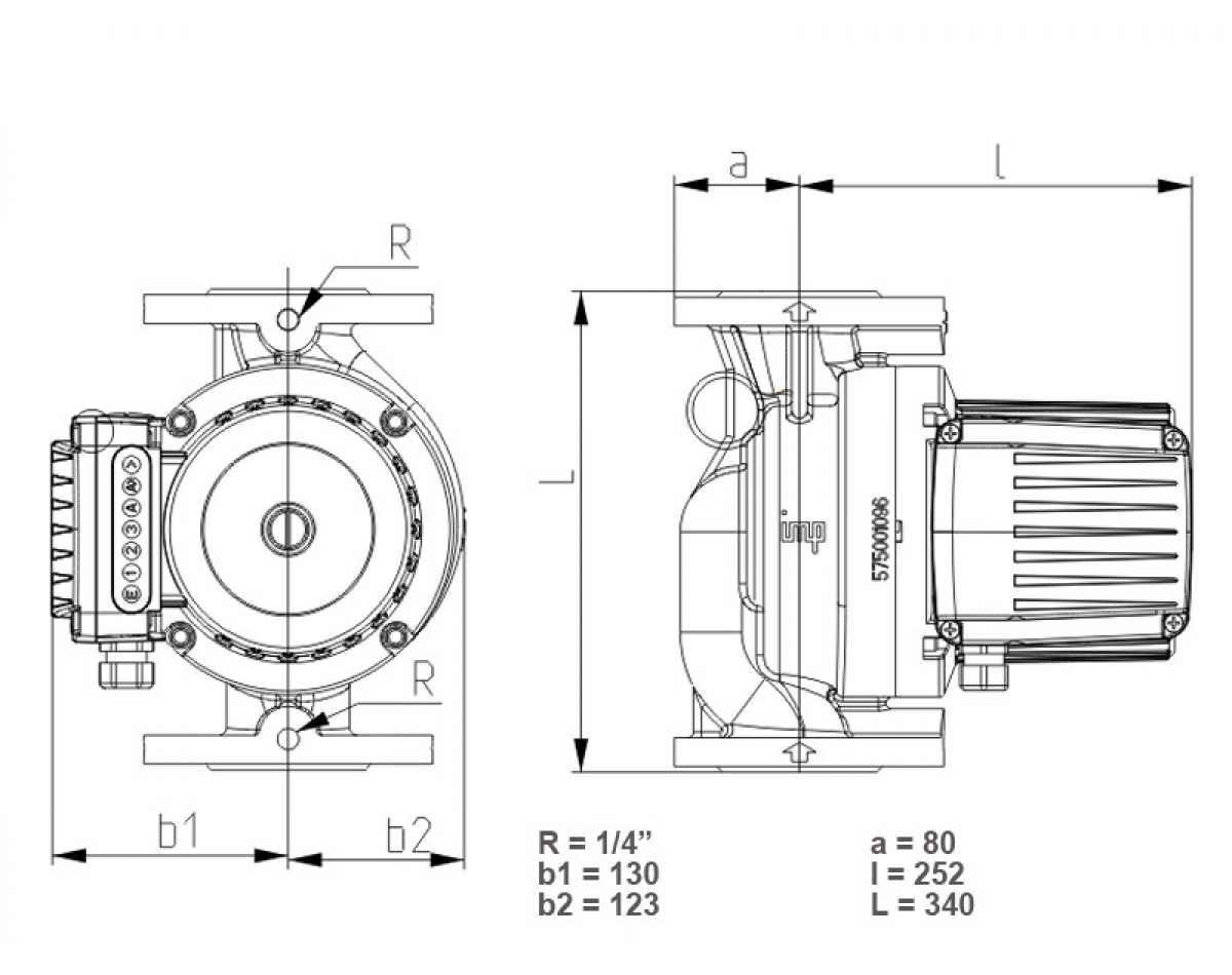
Монтажная длинна 340 мм
IMP-PUMPS серии GHN Basic II, это линейка одних из самых лучших фланцевых циркуляционных насосов, в сегменте цена\качество!
Предназначенный для использования в системах отопления, горячего водоснабжения (ГВС), вентиляции и кондиционирования частных домах и коммерческих зданиях, складах, офисах и т.д.
У циркуляционных насосов GHN Basic II имеется три скорости вращения ротора мотора, благодаря чему можно индивидуально настроить циркуляции воды в системе максимально точно.
Благодаря конструкции насоса "мокрый ротор" насос абсолютно бесшумен (при правильном подборе!) и может быть установлен непосредственно вблизи постоянного нахождения людей, насос не будет создавать шумового дискомфорта.
Корпус насоса чугун
3-х фазный электродвигатель
ИНСТРУКЦИЯ
IPM-PUMPS это насосы наивысшего качества!
Производство Словения.
Гарантия 2 года.
| Технические характеристики | |
| Подача (м³/ч) | 57 |
| Напор (м↑) | 18.5 |
| Мощность (кВт) | 2.346 |
| Сеть (V) | 380/400 В (трехфазный) |
| Ток (А) | 4 |
| Присоединительные размеры | DN 65 |
| Тип присоединения | Фланец |
| Механизм насоса | Центробежный |
| Защита от сухого хода (да\нет) | НЕТ |
| Материал рабочего колеса | Нержавеющая сталь |
| Длинна кабеля (метров) | нет |
| Рабочая температура жидкости °C | -10...+120 |
| Материал корпуса | Чугун |
| Рабочее давление (бар) | 10 |
| Монтажная длинна (мм.) | 340 |
| Тип насоса | Циркуляционный насос |
| Гарантия | 2 года |
| Конструкция корпуса | ОДИНАРНЫЙ |
| Тип циркуляционного насоса | Мокрый ротор |
| Количество скоростей | 3 |
| Класс защиты | IP 44 |
| Уровень шума дБ | <70 |
| Технические характеристики автоматики | |
| Внешняя рабочая температура °C | 0 ... +40 |
Теги: насос, фланцевый, циркуляционный
Насос циркуляционный GHN Basic II 65-190 F
-
118281.78₽
163747.97₽
- НасосыЦиркуляционныеМокрый ротор
- Производитель: IMP-PUMPS
- Код Товара: 979524577
- Вес: 31.4 кг
СКИДКИ МОНТАЖНЫМ, ОПТОВЫМ КОМПАНИЯМ!
Заказать расчет, купить Телефон +7(499)399-36-08 Почта shop@baymart.ru Мы будем рады Вам помочь! |
| Подбор аналогов Grundfos,KSB,Wilo |














