| Поможем подобрать насос, звоните +7(499)399-36-08 или пишите shop@baymart.ru |
Циркуляционный насос CNP TD-E65-34G/2 с частотным регулированием |
50 куб.м\час | 34 метра | 7.5 кВт |
Циркуляционные насосы CNP серии TD-E это вертикальные одноступенчатые центробежные насосы с частотным регулированием, для постоянного автоматического поддержания давления.
ПРИМЕНЕНИЕ
Используются для циркуляции в котельных, центральных тепловых пунктах, в подкачивающих насосных станциях центрального отопления. В контурах циркуляции технологического охлаждения (градирни-теплообменники). В системах циркуляции кондиционирования (чиллер-фанкойл). Возможно применение в системах пожаротушения и повышения давления. Конструкция этих насосов с «сухим» ротором делает их менее чувствительными к включениям в перекачиваемой среде по сравнению с подобными насосами с «мокрым» ротором.
ОСОБЕННОСТИ КОНСТРУКЦИИ
В насосах TD-E встроенная автоматика на базе частотного преобразователя которая позволяет автоматически поддерживать требуемое давление в различных системах. В насосе используется две системы управления
- по дифференциальному принципу
- по давлению (температуре)
Для этого в насосе встроены два датчика давления на впуске и на выпуске.
Насос полностью готов к работе, для одиночного использования насоса требуется установка обратного клапана на впуске и гидроаккумулятлора на выпуске. Возможна спарка до 5-ти насосов.
В автоматике насоса есть все необходимые защиты насоса
- Перекос фаз
- Потеря фаз
- Напряжение (повышенное и пониженное)
- Сухой ход (по току и датчику)
Гидравлическая часть насоса и рабочее колесо выполнено из высокопрочного чугуна, стандартное исполнение 12 бар, так же возможно исполнение 16 бар. Рабочее колесо возможно из нержавеющей стали.
ПЕРЕКАЧИВАЕМЫЕ ЖИДКОСТИ
Чистые, не взрывоопасные жидкости (без взрыво-защищенного двигателя), не содержащие абразивных, твердых или волокнистых примесей . Не агрессивных к применяемому в конструкции насоса материалу.
| Технические характеристики | |
| Подача (м³/ч) | 50 |
| Напор (м↑) | 34 |
| Мощность (кВт) | 7,5 |
| Сеть (V) | 3*380-400В |
| Ток (А) | 14,4 |
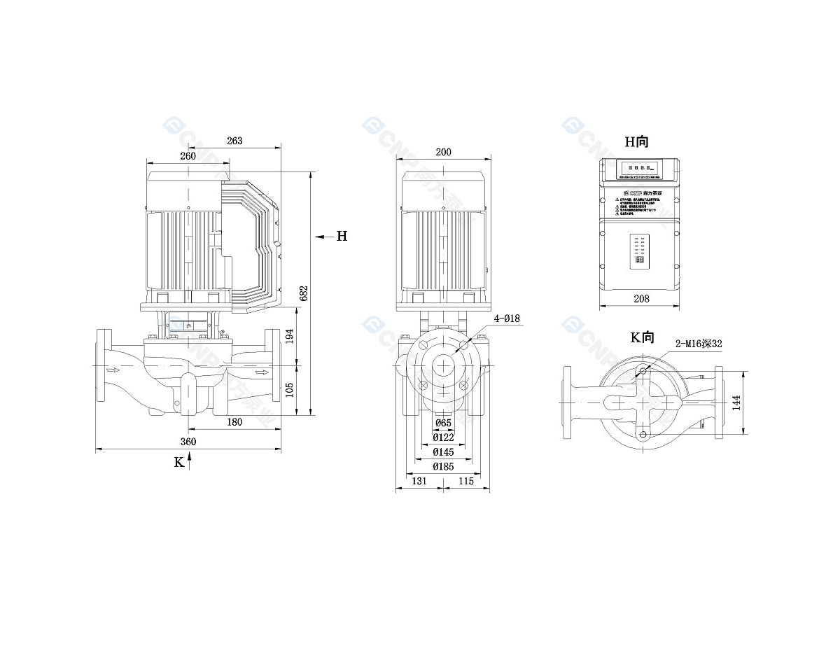
| Присоединительные размеры | DN65 |
| КПД (%) | 72 |
| Тип присоединения | Фланец |
| Класс энергоэффективности | IE 2 |
| Механизм насоса | Центробежный |
| Погружной \ поверхностный | Поверхностный |
| Защита от сухого хода (да\нет) | ДА |
| Материал рабочего колеса | Чугун\Нержавеющая сталь |
| Серия | TDE |
| Рабочая температура жидкости °C | -15 °С ~ +115 °С |
| Материал корпуса | Чугун |
| Качество перекачиваемой жидкости | Чистая |
| Рабочее давление (бар) | 12\16 |
| Тип насоса | Циркуляционный насос |
| Гарантия | 2 |
| Тип циркуляционного насоса | IN-LINE сухой ротор |
| Класс защиты | IP55 |
| Оборотов в минуту | 2900 |
| Диаметр рабочего колеса (мм) | 170 |
| Тип оборудования | Насос |
| Тип перекачиваемой жидкости | Вода, техническая жидкость |
| Инженерная система | Циркуляция - отопление, кондиционирование |
Теги: Сухой ротор, Насосы IL, Насосы TD-G
Циркуляционный насос CNP TD-E65-34G/2 с частотным регулированием
-
231497.98₽
- ЦиркуляционныеНасосы IN-LINEРегулируемые циркуляционные насосы
- Производитель: CNP
- Код Товара: TDE65-34G/2
- Вес: 94 кг
СКИДКИ МОНТАЖНЫМ, ОПТОВЫМ КОМПАНИЯМ!
Заказать расчет, купить Телефон +7(499)399-36-08 Почта shop@baymart.ru Мы будем рады Вам помочь! |
| Подбор аналогов Grundfos,KSB,Wilo |













